RM新时代官网

歡迎光臨大柏電子科技(上海)有限公司
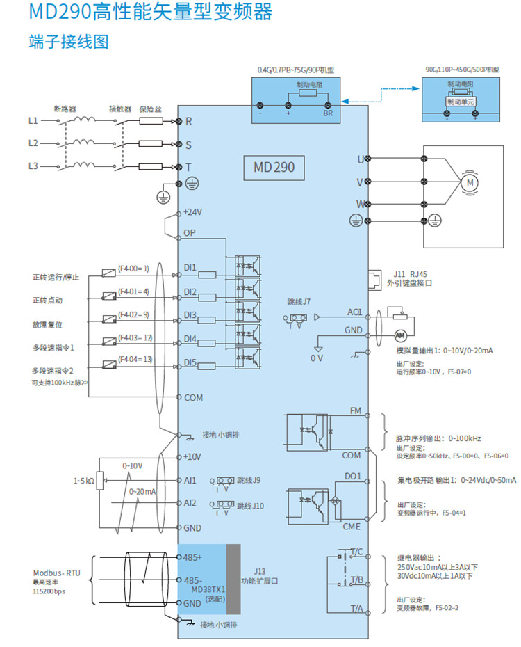
MD290-2T3.7G/5.5PB 匯川變頻器三相220V變頻器3.7KW
MD290-2T3.7G/5.5PB 匯川變頻器三相220V變頻器3.7KW
詳情

MD290-2T3.7G/5.5PB 匯川變頻器三相220V變頻器3.7KW


用手機掃描二維碼關閉
RM新时代官网